一、HT-0720技术特点:
1、电阻应变式测量原理
2、结构小巧,易于安装
3、测量精度高,重复性好
4、合金钢,表面镀镍
5、滚轮可采用合金钢、表面硬质阳极化铝合金、塑胶等材料制成
6、坚固耐用、防腐防尘、稳定性好
二、技术参数:
|
技术指标: |
||
|
额定输出 |
kg |
1.5mV/v |
|
零点平衡 |
%R.O. |
±1 |
|
综合误差 |
%R.O. |
±0.3 |
|
重复性 |
%R.O. |
±0.05 |
|
蠕变(30分钟) |
%R.O. |
±0.05 |
|
正常工作温度范围 |
℃ |
-10~+40 |
|
允许工作温度范围 |
℃ |
-20~+70 |
|
温度对灵敏度影响 |
%R.O./10℃ |
±0.05 |
|
温度对零点影响 |
%R.O./10℃ |
±0.05 |
|
输入阻抗 |
Ω |
380±10 |
|
输出阻抗 |
Ω |
352±3 |
|
建议激励电压 |
V(DC/AC) |
5-12 |
|
^大激励电压 |
V(DC/AC) |
15 |
|
安全过载 |
%R.C. |
150 |
|
极限过载 |
%R.C. |
300 |
|
防护等级 |
|
IP65 |
|
绝缘阻抗 |
Ω |
〉3000 |
三、接线方式
Red: +input 红色: +激励
Black: -input 黑色: -激励
Green: +output 绿色: +信号
White: -output 白色: -信号
四、额定量程
43KN,63KN
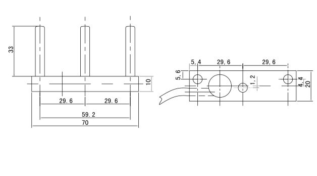
五、尺寸
- 2021-08-19 > 热烈庆祝常州市亨托电子衡器有限公司获得 常州国家高新区工业互联网创新发展“365”工程专项扶持资金项目
- 2019-08-03 > 上海理工大学研发出新型激光雷达感知系统,自动驾驶传感器技术出新
- 2019-08-03 > 2019年称重模块市场调查
- 2019-07-24 > 什么样的称重传感器更可靠
- 2019-07-24 > 2019家庭智能传感器白皮书发布!解读国内家庭智能传感器现状
- 2019-07-24 > 杭州启用带称重传感器及垃圾量记录仪的车载称重系统
- 2018-12-15 > 组合式应变压力传感器
- 2018-12-14 > 称重传感器应用领域
- 2018-12-13 > 拉压力传感器应用
- 2018-12-13 > 拉压力传感器特性




