产品详情 图片集锦
| Features 主要特点 | ||||
| ·Al loy steel construction | ||||
| ·Mounts to floor or structural support directly | ||||
| ·0745A (single ended shear beam load cell) | ||||
| installed | ||||
| ·Support bolt to avoid overturn | ||||
| ·Suitable for floor scales,blending & mixing | ||||
| systems and batching systems,etc. | ||||
| ·优质合金钢结构 | ||||
| ·可直接安装在地上或者基础结构上 | ||||
| ·使用弯曲梁HT-DZB称重传感器 | ||||
| ·支撑螺栓,防止设备颠覆 | ||||
|
·适用于平台秤、搅拌站和配料秤等 |
||||
Schematic 接线方式
Red: +input
红色: +激励
Green: +output
绿色: +信号
White: -output
白色: -信号
Black: -input
黑色: -激励
SHIELD: Thick Yellow
浅黄: 屏蔽

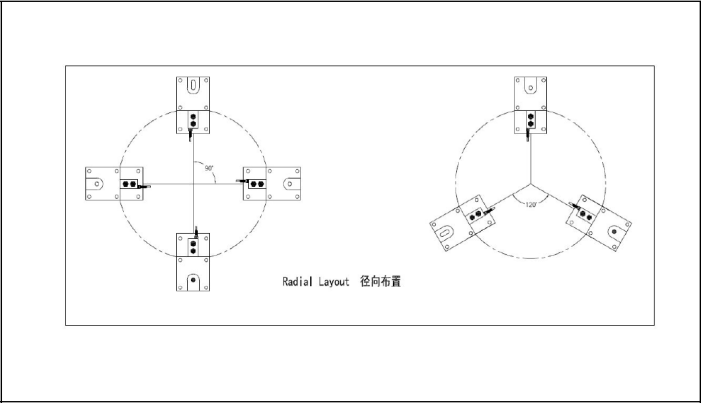
Installation 安装指示

上一条:HT-PGT Mount
下一条:没有了
相关文章
- 2021-08-19 > 热烈庆祝常州市亨托电子衡器有限公司获得 常州国家高新区工业互联网创新发展“365”工程专项扶持资金项目
- 2019-08-03 > 上海理工大学研发出新型激光雷达感知系统,自动驾驶传感器技术出新
- 2019-08-03 > 2019年称重模块市场调查
- 2019-07-24 > 什么样的称重传感器更可靠
- 2019-07-24 > 2019家庭智能传感器白皮书发布!解读国内家庭智能传感器现状
- 2019-07-24 > 杭州启用带称重传感器及垃圾量记录仪的车载称重系统
- 2018-12-15 > 组合式应变压力传感器
- 2018-12-14 > 称重传感器应用领域
- 2018-12-13 > 拉压力传感器应用
- 2018-12-13 > 拉压力传感器特性
相关产品


